โมดูลเลเซอร์กำลังสูง 1653.7 นาโนเมตรใช้โครงสร้างระนาบพร้อมชิปบนซับคาริเออร์ สูง ชิปกำลังถูกปิดผนึกอย่างแน่นหนาในแพ็คเกจผีเสื้อ 14 พินที่ปราศจากอีพ็อกซี่และปราศจากฟลักซ์ และติดตั้งด้วย เทอร์มิสเตอร์ เทอร์โมอิเล็กทริกคูลเลอร์ และมอนิเตอร์ไดโอดเพื่อรักษาประสิทธิภาพของเลเซอร์คุณภาพสูง เลเซอร์ไดโอด BTF ขนาด 1653nm 40mW สำหรับการตรวจจับก๊าซมีเทนผ่านการรับรองจาก Telcordia GR-468 และเป็นไปตามข้อกำหนด RoHS
โมดูลเลเซอร์กำลังสูง 1653.7 นาโนเมตรใช้โครงสร้างระนาบพร้อมชิปบนซับคาริเออร์ ชิปกำลังสูงถูกปิดผนึกอย่างแน่นหนาในแพ็คเกจผีเสื้อ 14 พินที่ปราศจากอีพ็อกซี่และปราศจากฟลักซ์ และติดตั้งเทอร์มิสเตอร์ เครื่องทำความเย็นแบบเทอร์โมอิเล็กทริก และไดโอดมอนิเตอร์เพื่อรักษาประสิทธิภาพของเลเซอร์คุณภาพสูง ผลิตภัณฑ์เลเซอร์ของเราผ่านการรับรอง Telcordia GR-468 และเป็นไปตามคำสั่ง RoHS
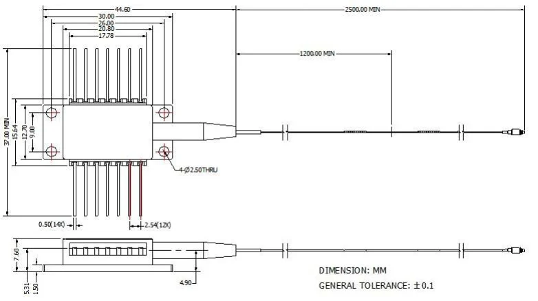
● แพ็คเกจผีเสื้อ 14 พินมาตรฐานอุตสาหกรรม
● TEC ในตัวและตัวแยกแสง
● เลเซอร์แบบกระจายข้อเสนอแนะ (DFB) แบบ multiquantum well (MQW) ประสิทธิภาพสูง
● การทดสอบการผลิตส่วนประกอบแบบพาสซีฟสำหรับการตรวจจับก๊าซ
● ระบบตรวจจับก๊าซไฟเบอร์
● แหล่งกำเนิดเลเซอร์
| พารามิเตอร์ | เครื่องหมาย | เงื่อนไข | นาที. | ประเภท | สูงสุด | หน่วย |
| ความยาวคลื่นตรงกลาง | แอลซี | Tl = 15 ~ 35 ℃ คู | 1652.7 | 1653.7 | 1654.7 | นาโนเมตร |
| กำลังขับออปติคัล | หลังจาก | ซีดับบลิว | - | 40 | - | เมกะวัตต์ |
| LD เกณฑ์ปัจจุบัน | ไอทีเอช | ซีดับบลิว | - | 15 | 40 | มิลลิแอมป์ |
| LD ไปข้างหน้าปัจจุบัน | ถ้า | Pf = กำลังไฟพิกัด | - | 300 | 400 | มิลลิแอมป์ |
| การแยกแสง | - | -10 < TC < +70 ℃ | 30 | - | - | เดซิเบล |
| อัตราส่วนการปราบปรามโหมดด้านข้าง | สสส | ซีดับบลิว | 35 | 40 | - | เดซิเบล |
| ตรวจสอบการตอบสนอง | การฉีดวัคซีน | - | - | 1 | 20 | เป็น / mw |
| ตรวจสอบความเสถียรของการตอบสนอง | - | - | - | - | 20% | - |
| ติดตามกระแสมืด | รหัส | วีพีดี =5V | - | - | 50 | นา |
| กระแสเทค | ไอเทค | ทีเคส =75℃ | - | - | 2 | A |
| แรงดันไฟฟ้า TEC | วีเทค | ทีเคส =75℃ | - | - | 3.5 | V |
| การใช้พลังงานเทค | P | ค่ามาตรฐาน =25℃ | - | - | 5 | W |
| ความต้านทานของเทอร์มิสเตอร์ | รธ | ทีเคส =75℃ | 9.5 | 10 | 10.5 | โคห์ม |
| เทอร์มิสเตอร์ B คงที่ | บ | ค่ามาตรฐาน =25℃ | - | 3900 | - | K |
| ความยาวคลื่นดริฟท์ (EOL) | △แล | ผ่านการทดสอบตลอดอายุการใช้งาน 25 ปี | - | - | ±0.1 | นาโนเมตร |
| คลื่น. ค่าสัมประสิทธิ์อุณหภูมิ | เดซิลิตร/เดต | อุณหภูมิ TEC ที่ 15 ℃ ถึง 35 ℃ | - | 0.09 | - | นาโนเมตร/℃ |
| ความยาวคลื่นสัมประสิทธิ์ปัจจุบัน | ดล/DI | - | - | 0.01 | - | นิวเม็กซิโก/นิ้ว |

ผลิตภัณฑ์ทั้งหมดได้รับการทดสอบก่อนจัดส่ง
ผลิตภัณฑ์ทั้งหมดมีการรับประกัน 1 ปี (หลังจากระยะเวลารับประกันคุณภาพเริ่มเรียกเก็บค่าบริการบำรุงรักษาที่เหมาะสม)
เราขอขอบคุณธุรกิจของคุณและเสนอนโยบายการคืนสินค้าภายใน 7 วันทันที (7 วันหลังจากได้รับสินค้า);
หากสินค้าที่คุณซื้อจากร้านค้าของเรามีคุณภาพไม่สมบูรณ์แบบ กล่าวคือ สินค้าเหล่านั้นไม่ทำงานด้วยระบบอิเล็กทรอนิกส์ตามข้อกำหนดของผู้ผลิต เพียงส่งคืนสินค้าให้เราเพื่อเปลี่ยนหรือคืนเงิน
หากสินค้ามีข้อบกพร่องกรุณาแจ้งให้เราทราบภายใน 3 วันนับจากวันที่จัดส่ง
สินค้าใดๆ จะต้องถูกส่งคืนในสภาพเดิมจึงจะมีสิทธิ์ได้รับเงินคืนหรือเปลี่ยนสินค้า;
ผู้ซื้อเป็นผู้รับผิดชอบค่าขนส่งทั้งหมดที่เกิดขึ้น
ถาม: ความยาวคลื่นมีความแม่นยำเท่าใด
ตอบ: +/-0.5 นาโนเมตร
ถาม: คุณมีกำลังขับเวอร์ชันอื่นหรือไม่?
ตอบ: 10mW, 15mW, 50mW
C-band Narrow Linewidth ชุดประกอบเลเซอร์แบบปรับค่าได้ในตัว ITLA
1550nm 40mW 200Khz Linewidth แคบ DFB Butterfly Laser Diode
1550nm 40mW 600Khz DFB Butterfly Package เลเซอร์ไดโอด Linewidth แคบ
1550nm 50mW 100Khz ความกว้างของเส้นแคบ DFB เลเซอร์ไดโอดผีเสื้อ
1550nm 2mW 5mW เลเซอร์ไดโอดโคแอกเซียล Linewidth แคบ
1550NM 100MW 100KHz แคบ linewidth DFB เลเซอร์ไดโอด BTF พร้อมไฟเบอร์ SM/PMCopyright @ 2020 Shenzhen Box Optronics Technology Co. , Ltd. - โมดูลไฟเบอร์ออปติกจีน, ผู้ผลิตเลเซอร์ไฟเบอร์คู่, ซัพพลายเออร์ส่วนประกอบเลเซอร์สงวนลิขสิทธิ์