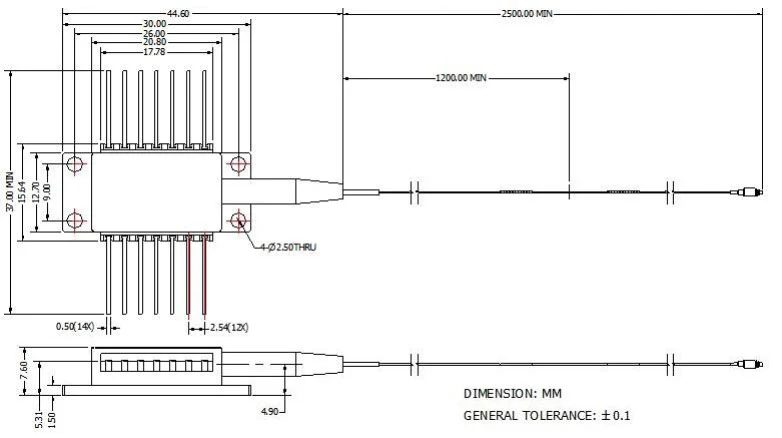
เลเซอร์ไดโอด DFB 1653nm 40mW สำหรับเซ็นเซอร์มีเทน การตรวจจับ CH4 ใช้โครงสร้างระนาบพร้อมชิปบนพาหะย่อย ชิปกำลังสูงถูกปิดผนึกอย่างแน่นหนาในแพ็คเกจผีเสื้อ 14 พินที่ปราศจากอีพ็อกซี่และปราศจากฟลักซ์ และติดตั้งเทอร์มิสเตอร์ เครื่องทำความเย็นแบบเทอร์โมอิเล็กทริก และไดโอดมอนิเตอร์เพื่อรักษาประสิทธิภาพของเลเซอร์คุณภาพสูง ผลิตภัณฑ์เลเซอร์ของเราผ่านการรับรอง Telcordia GR-468 และเป็นไปตามคำสั่ง RoHS
เลเซอร์ไดโอด DFB 1653nm 40mW สำหรับเซ็นเซอร์มีเทน การตรวจจับ CH4 ใช้โครงสร้างระนาบพร้อมชิปบนพาหะย่อย ชิปกำลังสูงถูกปิดผนึกอย่างแน่นหนาในแพ็คเกจผีเสื้อ 14 พินที่ปราศจากอีพ็อกซี่และปราศจากฟลักซ์ และติดตั้งเทอร์มิสเตอร์ เครื่องทำความเย็นแบบเทอร์โมอิเล็กทริก และไดโอดมอนิเตอร์เพื่อรักษาประสิทธิภาพของเลเซอร์คุณภาพสูง ผลิตภัณฑ์เลเซอร์ของเราผ่านการรับรอง Telcordia GR-468 และเป็นไปตามคำสั่ง RoHS
แพ็คเกจผีเสื้อ 14 พินมาตรฐานอุตสาหกรรม
TEC ในตัวและตัวแยกแสง
เลเซอร์แบบกระจายข้อเสนอแนะ (DFB) แบบหลุมหลายควอนตัมประสิทธิภาพสูง (MQW)
การทดสอบการผลิตส่วนประกอบแบบพาสซีฟสำหรับการตรวจจับก๊าซ
ระบบตรวจจับก๊าซไฟเบอร์
แหล่งกำเนิดเลเซอร์
| พารามิเตอร์ | เครื่องหมาย | เงื่อนไข | นาที. | ประเภท | สูงสุด | หน่วย |
| ความยาวคลื่นตรงกลาง | เลค | TL=15~35℃ ตามน้ำหนักจริง | 1652.7 | 1653.7 | 1654.7 | นาโนเมตร |
| กำลังขับออปติคัล | ปอ | ซีดับบลิว | - | 40 | - | เมกะวัตต์ |
| LD เกณฑ์ปัจจุบัน | ไอทีเอช | ซีดับบลิว | - | 15 | 40 | มิลลิแอมป์ |
| LD ไปข้างหน้าปัจจุบัน | ถ้า | Pf = กำลังไฟพิกัด | - | 300 | 400 | มิลลิแอมป์ |
| การแยกแสง | - | -10 < TC < +70 ℃ | 30 | - | - | เดซิเบล |
| อัตราส่วนการปราบปรามโหมดด้านข้าง | สสส | ซีดับบลิว | 35 | 40 | - | เดซิเบล |
| ตรวจสอบการตอบสนอง | ฉัน /Pf | - | - | 1 | 20 | ยูเอ/มิลลิวัตต์ |
| ตรวจสอบความเสถียรของการตอบสนอง | - | - | - | - | 20% | - |
| ติดตามกระแสมืด | รหัส | วีพีดี =5V | - | - | 50 | นา |
| กระแสเทค | ไอเทค | ทีเคส =75℃ | - | - | 2 | A |
| แรงดันไฟฟ้า TEC | วีเทค | ทีเคส =75℃ | - | - | 3.5 | V |
| การใช้พลังงานเทค | P | ค่ามาตรฐาน =25℃ | - | - | 5 | W |
| ความต้านทานของเทอร์มิสเตอร์ | รธ | ทีเคส =75℃ | 9.5 | 10 | 10.5 | โคห์ม |
| เทอร์มิสเตอร์ B คงที่ | บ | ค่ามาตรฐาน =25℃ | - | 3900 | - | K |
| ความยาวคลื่นดริฟท์ (EOL) | △แล | ผ่านการทดสอบตลอดอายุการใช้งาน 25 ปี | - | - | ±0.1 | นาโนเมตร |
| คลื่น. ค่าสัมประสิทธิ์อุณหภูมิ | ∆เล/∆T | อุณหภูมิ TEC ที่ 15 ℃ ถึง 35 ℃ | - | 0.09 | - | นาโนเมตร/℃ |
| ความยาวคลื่นสัมประสิทธิ์ปัจจุบัน | ∆เล/∙ | - | - | 0.01 | - | นาโนเมตร/มิลลิแอมป์ |

ผลิตภัณฑ์ทั้งหมดได้รับการทดสอบก่อนจัดส่ง
สินค้าทั้งหมดมีการรับประกัน 1-3 ปี (หลังจากระยะเวลารับประกันคุณภาพเริ่มเรียกเก็บค่าบริการบำรุงรักษาที่เหมาะสม)
เราขอขอบคุณธุรกิจของคุณและเสนอนโยบายการคืนสินค้าภายใน 7 วันทันที (7 วันหลังจากได้รับสินค้า);
หากสินค้าที่คุณซื้อจากร้านค้าของเรามีคุณภาพไม่สมบูรณ์แบบ กล่าวคือ สินค้าเหล่านั้นไม่ทำงานด้วยระบบอิเล็กทรอนิกส์ตามข้อกำหนดของผู้ผลิต เพียงส่งคืนสินค้าให้เราเพื่อเปลี่ยนหรือคืนเงิน
หากสินค้ามีข้อบกพร่องกรุณาแจ้งให้เราทราบภายใน 3 วันนับจากวันที่จัดส่ง
สินค้าใดๆ จะต้องถูกส่งคืนในสภาพเดิมจึงจะมีสิทธิ์ได้รับเงินคืนหรือเปลี่ยนสินค้า;
ผู้ซื้อเป็นผู้รับผิดชอบค่าขนส่งทั้งหมดที่เกิดขึ้น
ถาม: ความยาวคลื่นมีความแม่นยำเท่าใด
ตอบ: +/-0.5 นาโนเมตร
ถาม: คุณมีกำลังขับเวอร์ชันอื่นหรือไม่?
ตอบ: 10mW, 15mW, 50mW
1512nm 10mW DFB 14PIN เลเซอร์ผีเสื้อสำหรับ NH3 Sensing
1392nm DFB Butterfly Laser Diode สำหรับการตรวจจับความชื้น H2O
เลเซอร์ไดโอดผีเสื้อ DFB 1653nm สำหรับการตรวจจับ CH4
1567nm DFB ผีเสื้อเลเซอร์ไดโอดสำหรับ CO Sensing
1578nm 10mW DFB เลเซอร์ไดโอดสำหรับการตรวจจับไฮโดรเจนซัลไฟด์
เลเซอร์ไดโอดผีเสื้อ DFB 1580nm สำหรับการตรวจจับ CO2ลิขสิทธิ์ @ 2020 Shenzhen Box Optronics Technology Co., Ltd. - โมดูลไฟเบอร์ออปติกของจีน, ผู้ผลิตเลเซอร์คู่ไฟเบอร์, ซัพพลายเออร์ส่วนประกอบเลเซอร์ All Rights Reserved.